星空综合app官方正版下载免费安装
LUOYANG HENENG ELECTRIC CO.,LTD
厂家热线:13803887028
售后热线:0379-64327397

浏览次数:5691次
所属分类:传动系统试验台
提供被测试液力变矩器的工作动力,同时将加载电力测功机产生的能量以电能形式反馈至变矩器拖动,减小试验过程电能的实际消耗,节约能源
发布日期:2022-06-28 16:43:06
液力变矩器性能试验台
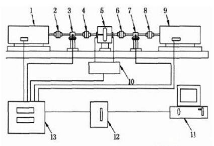
(1)驱动交流电力测功机 (2)弹性联轴器 (3)驱动转速转矩传感器 (4)弹性联轴器
(5)被试液力变矩器 (6)弹性联轴器 (7)加载转速转矩传感器 (8)弹性联轴器
(9)加载交流电力测功机 (10)油路控制及温控装置 (11)工业计算机及软件系统
(12)数据采集系统及卧式操作台 (13)测功机变频控制器及试验台逻辑控制器
液力变矩器性能试验台具备以下功能:
1) 提供被测试液力变矩器的工作动力,同时将加载电力测功机产生的能量以电能形式反馈至变矩器拖动,减小试验过程电能的实际消耗,节约能源;
2) 向被测试液力变矩器施加预设值的机械扭矩和功率;
3) 对被测试液力变矩器的性能参数进行数据采集、记录及分析处理;
4) 试验台采用交流变频加载方式,加载电力测功机正反两个方向功能相同并具有相同的性能和精度;
5) 系统具有过载、短路、过电压、欠电压、超温、缺相等保护功能;
6) 能按照不同试件所需的参数显示、储存、打印、绘制各种量之间的曲线;
7) 可进行液力变矩器空载功率损失试验、传动率试验、牵引工况性能试验、零速工况性能试验、 匹配牵引性能试验、滑行性能试验、反传工况性能试验、反转工况性能试验、可靠性及耐久性试验、动态性能测试、过载能力测试等系列变矩器性能试验;
8) 试验过程中对试验设备实行实时监控,当出现不正常情况,能自动执行相应的安处理措施,以保证人员和设备的安。
试验台参数指标:
|
序号 |
参数名称 |
值 |
精度 |
数量 |
数据来源 |
|
1 |
输入转速 |
3000r/min |
±5r/min |
1 |
转速传感器 |
|
2 |
输入转矩 |
5000Nm |
±0.5%F.S. |
1 |
转矩传感器 |
|
3 |
输出转速 |
3550r/min |
±5r/min |
1 |
转速传感器 |
|
4 |
输出转矩 |
10000 Nm |
±0.5%F.S. |
1 |
转矩传感器 |
|
5 |
补偿油入口压力 |
1MPa |
±1.5%F.S. |
1 |
压力传感器 |
|
6 |
补偿油出口压力 |
1MPa |
±1.5%F.S. |
1 |
压力传感器 |
|
7 |
补偿油入口油温 |
150℃ |
±1.5%F.S. |
1 |
温度传感器 |
|
8 |
补偿油出口油温 |
150℃ |
±1.5%F.S. |
1 |
温度传感器 |
|
9 |
补偿油入口流量 |
150l/min |
±1.5%F.S. |
1 |
流量传感器 |
|
10 |
泵站油箱油温 |
150℃ |
±1.5%F.S. |
1 |
温度传感器 |
|
11 |
闭锁离合器控制油压 |
2.5 MPa |
±1.5%F.S. |
1 |
压力传感器 |
服务宗旨:“以质量求生存,以服务赢市场”,如果您对我们的产品感兴趣,欢迎咨询!
*请认真填写需求信息,我们会在24小时内与您联系
联系人:张经理 潘经理
手机:13803887028 13938842660
公司地址:河南省洛阳市高新区轴承产业集聚区
邮箱:henengdq@126.com
全国咨询热线
13803887028 0379-64327397