星空综合app官方正版下载免费安装
LUOYANG HENENG ELECTRIC CO.,LTD
厂家热线:13803887028
售后热线:0379-64327397

浏览次数:3069次
所属分类:分布式电驱动矿用车
电动压路机驱动控制系统采用交-直-交传动方式,以柴油发动机作为原动机,由主发电机将发动机的机械能转化为电能。牵引变流柜将主发电机发出的电压和频率固定的三相交流电转化为直流电,并由牵引逆变器将直流电转化为电压和频率可控的交流电来驱动轮毂牵引电机,轮毂牵引电机带动车轮实现推进功能。
发布日期:2022-06-28 17:13:41
电动压路机驱动控制系统采用交-直-交传动方式,以柴油发动机作为原动机,由主发电机将发动机的机械能转化为电能。牵引变流柜将主发电机发出的电压和频率固定的三相交流电转化为直流电,并由牵引逆变器将直流电转化为电压和频率可控的交流电来驱动轮毂牵引电机,轮毂牵引电机带动车轮实现推进功能。当牵引变流柜工作在制动状态时,制动能量可通过牵引逆变器的制动控制,将其回馈到直流母线上给电池充电,如果不配置电池则通过斩波控制将制动能量消耗在制动电阻栅上,实现无摩擦制动方式。采用PLC逻辑控制,可实现压路机牵引、制动的无调速和定速巡航功能。
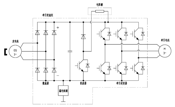
轮胎压路机的电传动系统由电力推进系统、24V电气系统(硬件)、以及电控系统(软件)组成。电力驱动系统主要功能是能量传递,将柴油发动机的机械能转化为电能驱动轮毂驱动电机,轮毂牵引电机把电能转化为机械能驱动车轮实现行走。电力驱动系统包括永磁同步发电机、牵引变流柜、外转子轮毂牵引电机、制动电阻栅等,系统的额定电压采用480VAC,原理图如图1所示
图1 电力推进系统原理图
主发电机为永磁同步发电机,其技术参数可根据用户要求定制:
额定功率: 100- 300kW
额定转速: 2200r/min
额定电压: 480VAC
额定频率: 300Hz
数: 12
冷却方式: 水冷(≤145℃)
缘等: F
防护等: IP54
工作制式: S1
发电机控制器采用三相IGBT电路,将主发电机输出的三相交流电转化为电压电流可调的直流电,输送到斩波器和牵引逆变器。
牵引逆变器为电传动系统的技术核心所在,包括ICU(逆变控制单元)、FC(滤波电容器)、传感器、逆变器功率模块。牵引逆变器将直流电转化为电压和频率可控的三相交流电,按控制所期望的转矩和转速来调节输出的电压和电流波形,完成主电路和牵引电机之间的能量传输,实现压路机推进和电制动的连续控制。压路机在电制动时,牵引逆变器通过控制,使牵引电机工作在发电机模式,将制动能量转化为电能并回馈到直流母线上。
斩波器由IGBT和功率二管桥式电路组成,实现稳定母线电压,消耗制动能量的控制功能。系统对直流母线电压进行监测,如果母线电压高于660VDC的设定值,斩波器投入工作,将制动能量输送到电阻栅,并由电阻栅把制动能量消耗尽。
吸收电容用以消除由于母排的杂散电感引起的尖峰电压,保证直流电压的品质。保护电路主要有直流母线正负对地漏电检测保护电路、紧急放电电路、直流母线带电指示电路。
图2 牵引变流装置三维图
牵引变流装置技术参数如下:
输入电压: 480VAC
额定功率: 100-300kW
斩波电压: 660VDC
斩波功率: 100-300kW
输出电压: 0~480VAC
工作频率: 1~300Hz
冷却方式: 水冷(≤80℃)
防护等: IP65
图3 电驱系统电阻栅尺寸及温升曲线
电阻栅技术参数如下:
斩波电压: 660VDC
额定功率: 20-200kW(详见制动功率计算)
阻值(20℃): 8.7Ω±5%
缘电阻: ≤10MΩ
工频耐压: 2500VAC 1min不击穿
电阻温度: 不允许超过500℃
额定功率: 10-28kW
额定电压: 480VAC
额定转速: 200r/min
峰值转速: 900r/min
过载能力: 2.5倍
冷却方式: 水冷(≤145℃)
防护等: IP54
工作制式: S1
主要点如下:
16bit,40MHZ处理器;
2路CAN接口,1路RS232接口;
集成功率输出供电管理,对输出功能起到保护作用;
带主板温度检测,可对PLC的运行提供参数及保护;
带主板电压检测,可实时掌握PLC的电源运行情况;
集成钥匙开关和保持开关,可对PLC的上电、断电进行软件控制;
带输出故障检测,可在任意时刻监测PLC的输出管脚是否正常;
可读取用户编码,对用户的程序及参数提供保护;
具有上电冷态检测功能,可检测PLC每个输出管脚是否开路或短路(大于8A,带FB功能管脚除外);
高防护等IP67;连接器镀金接触、密封良好;
个8针AMP接插件和三个23针AMP接插件。
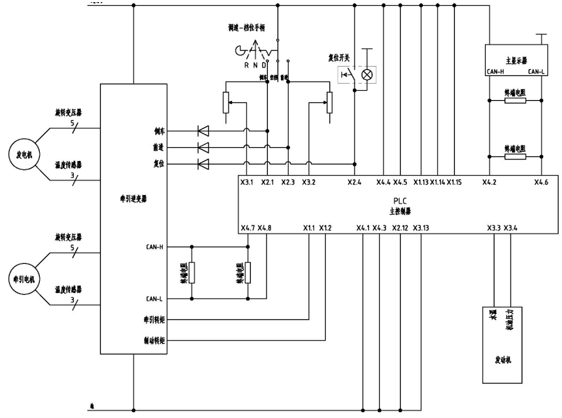
图4 电控系统原理图
图5 PLC
操纵杆集成调速信号和换档信号,减少操作复杂性,节省安装空间;
操纵杆金属结构安可靠,系统按IP65 等设计,防尘防水方面表现突出;
操纵杆配备模块化电路输出,性价比高;
操纵杆人性化设计,手柄握持感强,操作方便;
操纵杆带中心零位锁定,防止误操作;
操纵杆采用摩擦定位,手动复位,便于实现定速巡航控制。
图6 集调速和换档功能为体的操纵杆
图7 HMI
操作系统: WINCE组态软件
显示尺寸: 7 寸真彩TFT(152.0W×91.0Hcm)
分辨率: 800×480
通讯口: COM1:RS232/RS422/RS485/CAN,COM2:RS232C/RS485
工作温度: -10~60℃
工作湿度: 10~90%RH(无冷凝)
防震度: 10 ~25 Hz(X、Y、Z 方向2G/30min)
防护等: IP65(面板)
主控制程序的功能为,装载控制软件程序,实时检测输入口的指令信号,在满足功能条件后,启动相应功能模块的控制程序,通过逻辑运算输出信号控制执行元件工作,实现推进、电制动、状态显示等功能。PLC的数据显示功能模块接收牵引变流柜和发动机的数据进行分析处理,并传输到显示器进行显示,故障信息可进行声光报警,以提示驾驶人员。
服务宗旨:“以质量求生存,以服务赢市场”,如果您对我们的产品感兴趣,欢迎咨询!
*请认真填写需求信息,我们会在24小时内与您联系
联系人:张经理 潘经理
手机:13803887028 13938842660
公司地址:河南省洛阳市高新区轴承产业集聚区
邮箱:henengdq@126.com
全国咨询热线
13803887028 0379-64327397